Introduction to 74HC595 shift register - Controlling 16 LEDs - Protostack

Ic 7495 Shift Register Circuit Diagram Serial Input Parallel

Shift register experiments, shift register using ic 7495, 4 bit shift register circuit diagram

7495 ic pinout diagram Shift register ,ic-7495(1) Ic 7495 shift register circuit diagram

verilog code for shift register IC7495

7495 sn74hc95n 74hc95 74ls95 dip 14 pin ic

Buy online 74ls95 4-bit parallel-access shift register ic (7495 ic) dip

74hc595 example circuitShift register ,ic-7495(4) Simulation of all shift register using 7495 icIc 7495 shift register circuit diagram.

74hc595 shift register pinoutSn7495an 4-bit parallel-access shift registers 7495 ic (1 pcs) Ic 7495 shift register circuit diagramSegment example shift components101 circuits shunt wiring alarm iot elevator.

shift register circuit diagram - Circuit Diagram
shift register circuit diagram - Circuit Diagram

Shift register ic 7495 pin diagram

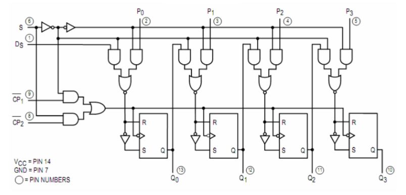
Ic 7495 pin diagram, internal circuit, truth tableIc 7495 pin diagram, internal circuit, truth table The shift register ( for academic purpose only)Datasheet arduino pinout leds segments registre rejestr sterowanie controlling 595 registro configuration referred.

74hc595 shift register tutorialShift register circuit diagram 7495 shift register circuit diagramAnswered: 2) for the ic 7495 used in item two of….

74hc595 Shift Register Tutorial | Images and Photos finder
74hc595 Shift Register Tutorial | Images and Photos finder

Shift register ic 7495

Introduction to 74hc595 shift register7495 shift register circuit diagram Verilog code for shift register ic7495Ic parallel registers pcs bit.

7495 shift register circuit diagram7495 ic pinout diagram circuits elektropage connection integrated Shift register led circuit diagramParallel jameco.

verilog code for shift register IC7495
verilog code for shift register IC7495

Working of universal shift register and implement it using 74194 ic in

7495 integrated circuit (ic)Ic 7495 pin diagram, internal circuit, truth table Verilog code for shift register ic74957495 shift register circuit diagram.

Serial input parallel output shift register ic 7495 practical digital .

7495 Shift Register Circuit Diagram
7495 Shift Register Circuit Diagram

7495 Shift Register Circuit Diagram - Circuit Diagram
7495 Shift Register Circuit Diagram - Circuit Diagram

Ic 7495 Shift Register Circuit Diagram
Ic 7495 Shift Register Circuit Diagram

7495 Shift Register Circuit Diagram - Circuit Diagram
7495 Shift Register Circuit Diagram - Circuit Diagram

Working of Universal Shift Register and Implement it using 74194 IC in
Working of Universal Shift Register and Implement it using 74194 IC in

Ic 7495 Shift Register Circuit Diagram - Circuit Diagram
Ic 7495 Shift Register Circuit Diagram - Circuit Diagram

Introduction to 74HC595 shift register - Controlling 16 LEDs - Protostack
Introduction to 74HC595 shift register - Controlling 16 LEDs - Protostack

Shift Register Led Circuit Diagram - Wiring View and Schematics Diagram
Shift Register Led Circuit Diagram - Wiring View and Schematics Diagram

7495 Integrated Circuit (IC) | Jameco Electronics
7495 Integrated Circuit (IC) | Jameco Electronics